PRODUCT CENTER
产品中心
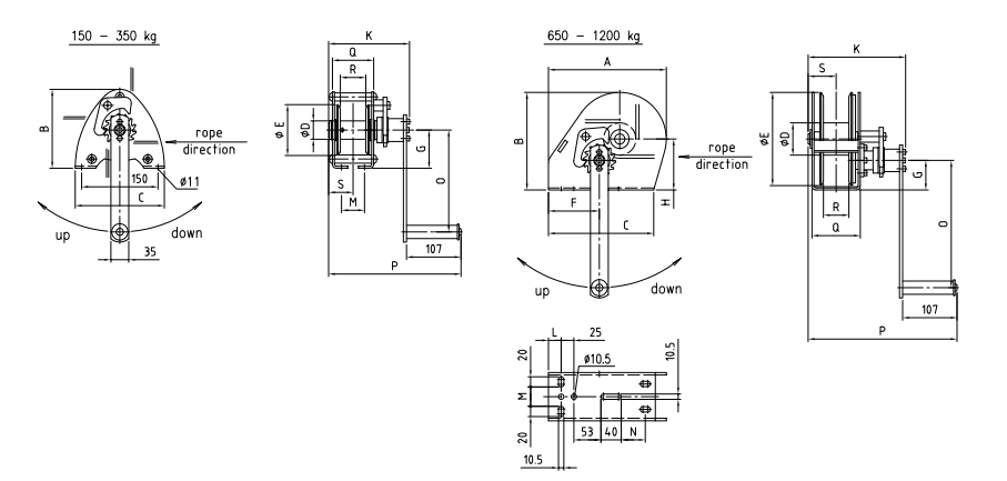
钢丝绳绞车 SW-K-LB
发布日期:2020-05-26
绳索绞车 SW-K-LB,最初开发为车辆绞车,现在用来提升和拉许多困难的负载。它有两种设计,"镀锌"和"不锈钢"。
镀锌设计的设备和加工:
•承载负载 150 ~ 1200 kg
• 坚固耐用的钢板外壳,重量轻
• 平稳运行的马刺齿轮
• 附加的负载压力制动器可安全地将负载固定在任何位置
• 所有零件镀锌,绳鼓额外涂层增加防腐保护 (KTL)
• 简单快捷的控制台附件
• 可选:展开自动,用于快速手动拉出卸载绳索
不锈钢设计的设备和加工
• 承载负载 250 ~ 900 kg
• 高品质不锈钢设计 V2A 的所有部件
• 坚固耐用的钢板外壳,重量轻
• 平稳运行的马刺齿轮
• 附加的负载压力制动器可安全地将负载固定在任何位置
• 绳索滚筒还涂有 KTL
• 简单快捷的控制台附件

Equipment and processing of the stainless steel design
Equipmen
t and processing of the stainless steel design
